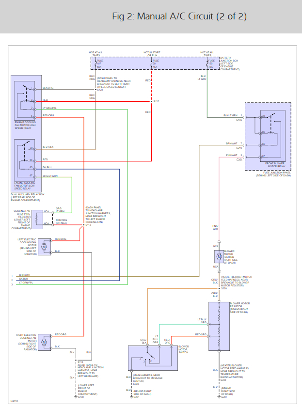
1996 Freightliner Air Condition Diragam

This is a premium quality universal under dash ac evaporator intended for use in adding an air conditioning system to a vehicle which did not have ac from the factory.
1996 freightliner air condition diragam. Us stock car truck air conditioner ac system 30w evaporator 3 speed adjustable fits. New ac compressor co 4821c abpn83304023 mt55 mt45. Free shipping on many items. 1 x 12v evaporator.
Freightliner fld l4 l6 1996 cabin air filter by kn. But there is not change in temperature in the cab. The most common problem with a. Ac hoses fittings.
This is just to check the wiring on the air conditioning unit to make sure it was working properly. Condensers evaporators for freightliner fld120. Heater parts for freightliner fld120. Freightliner wiring diagram.
Air conditioning heater parts for freightliner fld120. They are electrostatically charged to grab and hold. Easily find what you need from 1611419 parts available. 1996 freightliner fld120 power.
An evaporator is used on freightliner trucks as a heat exchange medium to move the heat generated by the system away from the air conditioning unit. Freightliner ac systems are much larger than most vehicle systems and they use a larger condenser and an air compressor to cool the air. The heater hoses get warm and the air conditioning line gets cold. Other air conditioning heater parts for freightliner fld120.
Youll be neither too hot nor too cold with your freightliner fl 120 classic heat and ac parts thanks to 4 state trucks. Freightliner tcci york style compressors click the year or part to see details. Compressors tcci york style 2003 2001 all tcci hd slim line wflange fitting no clutch. Ac condenser ac air conditioning heavy duty for freightliner sterling new.
Kn cabin air filters replace your vehicles stock cabin filter with a reusable design that cleans and freshens incoming air. Freightliner wiring diagram ac compressor. Blower motors for freightliner fld120. Home discussion forum.
I would like to have a wiring diagram for a 1996 freightliner xc chassisfreightliner technical support said that they. Ac compressors clutches for freightliner fld120. This is just to check the wiring on the air conditioning unit to make sure it was working properly. Our aftermarket heat and ac parts are exactly what you need to keep your temperature constant.