Printable DB
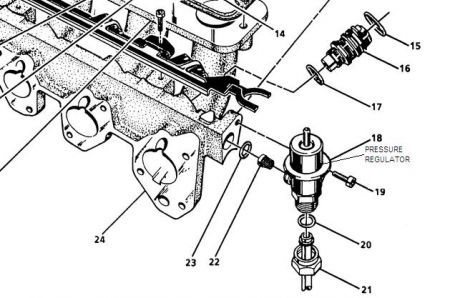
2000 Cavalier Fuel System Diagram
software landing page templates
short business proposal sample doc
twisted wire symbol schematic
teacher appreciation printables for gift cards
self evaluation teacher self reflection sample
resume pitch example
user research certification
template safety report sample
Repair Guides
Fuel Filter Location Where Is The Fuel Filter Located
2003 Chevy Cavalier Fuel Pump Replacement 2003 Chevy
Solved Ground Wiring Locations For 2000 Chevy Cavalier Fixya
Cavalier Ls Fuel Line 2002 2 Door 2 2l Fl255 B2a Set
2004 Chevy Cavalier Fuel System Diagram Wiring Schematic
Chevrolet Cavalier Questions Fuel Pump Feul Pump Fuse
How To Replace Fuel Filter 95 05 Pontiac Sunfire
4 3 Vortec Fuel Line Retainer Diy Forums
Fuel Pump Shut Off Switch Where Is The Fuel Pump Shut Off
Where Is The Fuel Filter Located On A 02 Chevy Cavalier Z24
99 Cavalier Fuel Pump Wiring Diagram Wiring Diagram
Chevy Cavalier Fuel System Diagram Swift Electrical Schemes
Fuel Pump 2004 Chevy Cavalier
Fuel Filter Location Where Is The Fuel Filter Located
2000 Chevy Cavalier Parts Diagram Wiring Schematic Diagram
Tricky Chevy Cavalier Fuel Pump Problems Solved For Good
2000 Chevy Blazer Fuel Pump Diagram Catalogue Of Schemas
Chevrolet Cavalier Questions How Do You Test The Fuel Pump
2000 Cavalier Engine Diagram Wiring Diagram Schematics
2000 Chevy Cavalier Z24 Wiring Diagram Wiring Library
Source :
pinterest.com
Popular Posts
Web Diagram Template
Writing Your First Resume
Words Their Way Sorts Printable
Where Can I Buy A Rent Receipt Book
Zero Trust Certification
What Is Top Resume
What Is A Fact File Template
Water Heater Breaker Wiring Diagram
Writing A Blog Template
Writing A Suggestion Letter Sample
Year Gantt Chart Template
Wiring Diagram Daihatsu Xenium
Weekly Chore Chart Template
Weekly Agenda Template Excel
Wiring Diagram For 2000 Mercury Grand Marqui
Whelen Edge 9m Wiring Diagram
Writing Sample Template For Job
Wayne Dalton Installation Manual
Warren Birth Certificates
Work Instructions Template Excel
X Cart Design Templates
What Do You Put On Your Resume For Your First Job
Xlr Female To 35mm Stereo
Warning Memo Sample
Word Printable Commercial Invoice Template
Word Product Description Template
Wedding Ticket Invitation Template
Youth Football Roster Template
Workout Calendar Template
Wiring Diagram For 1994 Gmc S15 Jimmy
Wiring Diagram 1980 Yamaha Dt125
Wiring Diagram For 1966 Fury
Wiring 1 Phase Wiring Diagram
Wwf Panda Adoption Certificate
Wedding Dj Worksheet
What Type Of Resume Is Best For A College Student
Word Document Invitation Templates Word
Web Design Handouts Worksheets Grammar
What Is Responsive Email Template
Worcester Place Bob Doubles Schedule Printable Pdf
Wiring Diagram For Epiphone Sg Special
Wedding Photographer Templates
Wellness Certification Online
Wss Printable Coupons
Wiring A Mobile Home
Word Magazine Template Free Download
Wedding Planning Timeline Checklist Printable
Wiring Diagram For A Thermostat
Western Plow Controller
Warning Letter Template For Misconduct
White Paper Outline Template Free
Word Psychotherapy Progress Note Template Pdf
Western Unimount Snow Plow Truck Mount
Wiring Diagram 1997 Jeep 5 2l
Work Breakdown Structure Template Powerpoint