Printable DB
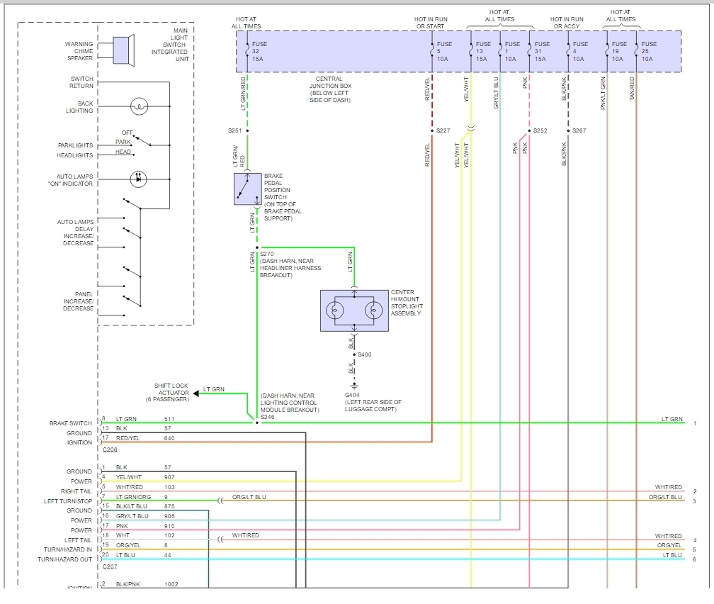
2000 Lincoln Continental Wiring Diagram
free printable living will forms florida
farmall cub wiring diagram 6 volt
intent to vacate letter sample
gucci gift receipt
infusionsoft email templates
garden of life printable coupon
h thormstum b16a engine diagram
free printable 5th grade reading worksheets
2000 Lincoln Town Car Original Wiring Diagrams
Solved I Need A Color Coded Wiring Diagram For The Fuel Fixya
2000 Lincoln Continental Wiring Diagram Manual Original
Solved 2000 Lincoln Town Car 4 6 Will Not Start Fixya
Lincoln Engine Diagram Catalogue Of Schemas
Diagram For 2000 Lincoln Town Car Interior Wiring Diagram
2000 Lincoln Continental Wiring Diagram Wiring Schematic
2002 Lincoln Continental Fuse Diagram Wiring Diagram G11
2000 Lincoln Continental Electrical Wiring Diagrams Ford
2000 Lincoln Continental Engine Diagram Wiring Diagrams
1996 Lincoln Town Car Fuse Panel Diagram Wiring Catalogue
Ford Diagrams
My 2000 Lincoln Continental Rear Air Suspension Wont Go Up
2000 Lincoln Continental Engine Diagram Wiring Diagrams
Download 01 Lincoln Continental Fuse Box Epanel Digital Books
2000 Town Car Fuse Box Catalogue Of Schemas
1993 Lincoln Wiring Diagrams Schematics Online
2000 Lincoln Ls Under Hood Fuse Box Diagram Location
Lincoln Continental Questions What Woul Cause No Power To
2001 Lincoln Continental Wiring Diagrams Ford Motor Company
2000 Lincoln Continental 2000 Lincoln Continental High Beam
Source :
pinterest.com
Popular Posts
Neuroscience Coaching Certification
Medical Spa Business Plan Template
Prince2 Proces Flow Diagram 2010
Program Ad Template
Osha Evacuation Plan Template
Microsoft Office Word Templates Newsletter
Printable Copyright Forms
Portfolio Roadmap Template Excel
Online Video Template Maker
Lead Certification Philadelphia
Mx 5 Wiring Diagram
Name Address Phone Number Template Free
Mazda 5 Fuse Box Diagram 2010
Printable Food Storage Labels
Online Marketing Plan Template
Profinet Rj45 Connector Diagram 4 Wire
Pdf Downloadable Free Printable Bill Of Sale For Car
Marketing Budget Template
Plumbing Installation Diagram
Nrtl Certification Cost
Modern Excel Chart Templates
Ngo Website Template
Pickup And Delivery Template
Movie Title After Effects Template
Playbill Invitation Template Free
Perfect Bar Printable Coupon
Puppy Sale Printable Puppy Contract
Printable Blooms Taxonomy Wheel
Notebook Page Template
Marketing Plan Target Market Sample
Objective For Cdl Driver Resume
Language Certificate Courses In Delhi University
Lotion Bottle Label Templates
Product Development Process Template
Monthly Content Calendar Template Excel
Personal Profile Document Template
Oldsmobile Intrigue Fuse Box
Ms Excel Templates Free
Psychiatric Progress Note Template Pdf
Multi Channel Marketing Campaign Template
Printable Calendar 2021
Prisoner Hardship Transfer Letter Sample
Mold Certification California
Pdf Blank Pay Stubs Template
Printable Newspaper Template Pdf
Printable To Do List Template Free
Manager Performance Evaluation Sample
Printable Shooting Targets Funny
Parental Consent Free Consent Form Template
Printable Do Not Disturb Sign Template For Door
Marine Fus
Microsoft Excel Decision Tree Template Xls
Printable Free Blank Chart Templates
Printable Free Price List Template
Microsoft Word Quote Template