Printable DB
2000 Subaru Wiring Diagram
salary slip payslip template malaysia
stock car battery wiring diagram
software engineer resume template download free
special needs assistant resume
security bank deposit slip sample
rental lease agreement template pdf
swot template word free
skills for customer service job resume
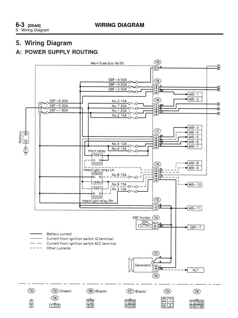
2000 Subaru Outback Headlight Wiring Diagram Wiring
Drivers Side Cooling Fan Not Coming On Subaru Outback Forums
Subaru Legacy Outback Baja 1993 2008 Car Stereo Pinout
2000 Vw Jetta Radio Wiring Diagram 3 Electrical Wiring
2000 Subaru Outback Headlight Wiring Diagram Wiring Library
Xcceleration
Wrg 2077 2002 Subaru Outback Power Window Wiring Diagram
2002 Subaru Outback Wiring Harness Wiring Schematic Diagram
Wrg 9165 2000 Subaru Legacy Wiring Diagram Pdf
Charging System Wire Diagram 2000 Subaru Impreza Catalogue
Northursalia Com Wiring Diagrams And Ecu Pinouts
Subaru Sti Fuse Box Diagram Wiring Diagram
Subaru Wrx Stereo Wiring Diagram Wiring Library
00 Sunfire Wiring Diagrams 2000 Pontiac Grand Prix Wiring
Subaru Impreza Wiring Diagram 2000 Rs Wiring Diagram
Iwire Subaru Harness Merging
Wiring Diagram Subaru Impreza Sti Wiring Diagram Schematics
2000 Subaru Forester Engine Diagram Wiring Schematic Diagram
Need Wire Color Codes For A 2004 Subaru Outback Legacy Fixya
Charging System Wire Diagram 2000 Subaru Impreza Catalogue
2000 Freightliner Fl60 Fuse Box Diagram Panel 3 Wire Single
Source :
pinterest.com
Popular Posts
Musical Air Horn Wiring Diagram
Printable Form 941 For 2019
Maintenance Schedule Template Free
Poe Ethernet Wiring Diagram Leviton
Pdf Printable Pdf Bill Of Sale Word Template
Magneto For Lincoln Welder Wiring Diagram
Occupational Therapy Certification
Printable Blank Confirmation Invitations
Petty Cash Analysis Template
Leviton Light Switch Home Wiring Diagram
Policy And Procedure Template Free
Letter S Worksheets For Kindergarten Free
Project Status Dashboard Template Excel
Online Employment Application Template
Notice Letter To Landlord Template
Printable Football Pool
Perkin Wiring Harnes
Mercede Benz C200 Wiring Diagram
Possessive Nouns Worksheet Answer Key
Professional Quotation Template Word
Printable Paw Patrol Invitation Template Free
Neonatal Resuscitation Certification
Printable 5 Year Strategic Business Plan Template
Microwave Bowl Cozy Gift Tag Printable
Printable Merit Award Template
Potluck Sign Up Sheet Template Word
Printable Certificate Of Authenticity Template
Pizza Party Flyer Template Free
Monthly Photo Calendar Template 2020
Printable Table Setting Christmas Activity Placemats Printable
Panda Kazuma Wiring Diagram
Paleontology Certificate Online
Printable Story Templates
Printable Monthly Printable Perpetual Calendar Template
Project Schedule Network Diagram Template
Painting Agreement Template
Pdf Employment Short Cover Letter Sample
Netgear Wireles Router Wire Diagram
Printable Handyman Invoice Sample
Obesity Medicine Certification Worth It
Laser Printable Magnetic Paper
Mexican Birthday Party Invitation Template
Monthly Business Calendar Template
Pre Kindergarten Reading Worksheets
Midea Wiring Diagram
Marketing Assistant Job Description Template
Minimal Free Google Slides Templates
Notice Of Privacy Practices Template 2019
Office Depot Name Badge Template
Power Distrubtion Box Diagram 1999 Ford Crown Victorium
Personal Statement Sample For Phd Scholarship
Printable One Year Bible Reading Plan Pdf 2020
Panera Printable Coupons
Printable Cleaning Service Agreement Template Word
Php Certification Online