Printable DB
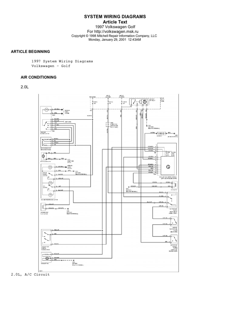
2001 Gti Wiring Diagram
1998 jeep grand cherokee limited fuse box diagram
2013 honda civic si fuse box diagram
2004 jeep grand cherokee fuse box location
back up camera wiring
2020 printable calendar with holidays
2004 mazda tribute fuse box
badland winch test
2001 f250 super duty wiring diagram
2001 Gti Wiring Diagram Wiring Schematic Diagram
Wiring Diagram For 2001 Gti Glx Wiring Diagram
Vw Gti Wiring Diagram Wiring Library
Vw Golf Engine Diagram Tsb Wiring Diagrams
Download 2001 Vw Gti Wiring Diagram From Books255 Myq See Com
Solved Colors Of Wires Of Maf Sensor In 2001 Vw Golf Gti
Wrg 6786 Gti Fuse Diagram
2001 Jetta Vr6 Engine Diagram Swift Electrical Schemes
Wrg 4838 Vw Gti Wiring Diagram
Wrg 9914 Wiring Diagram For 2001 Gti Glx
Wrg 4838 Wiring Diagram 2000 Vw Gti
Wrg 3991 2001 Gti Wiring Diagram
2001 Jetta Vr6 Engine Diagram Swift Electrical Schemes
2001 Vw Gti Wiring Harness Diagram Wiring Schematic
05 Jetta Speaker Wiring Diagram Wiring Schematic Diagram
Is There A Cruise Control Fuse Anywhere Newbeetle Org
Fuse Box Diagram Wiring Page Golf Better Elegant Photography
Vw Mk3 Jetta Alarm Wiring Diagram Digital Resources
1995 Vw Jetta 2 0 Engine Diagram Wiring Diagram
2001 Gti Fuse Diagram Wiring Diagram
Fuse Box Diagram Peugeot 206 Wiring Diagram
Source :
pinterest.com
Popular Posts
Paw Patrol Cupcake Toppers Free Printable
Product Sell Sheet Template Free
Pt Cruiser Engine Diagram
Medical Assistant Employment Contract Template
Mri Certification Salary
Proces Flow Diagram T 16949
Nonprofit Mission Statement Worksheet
Product Return Email Template
Nyu Sustainability Certificate
Living Will Template Uk
Pioneer 2500 Wiring Diagram
Project Management Action Tracker Template
Printable Snowflake Template Easy
Microscope Magnification Worksheet
Printable Pinterest Diy Stickers
Likert Scale Questions Template
Printable Bathroom Quotes
Project Issue Tracking Template Excel
Personal Loan Simple Family Loan Agreement Template
October 2019 Calendar Template Word
Mammography Certification Online
Personal Trainer Meal Plan Template
Printable Science Worksheets
Printable Big 5 Coupon 2019
Printable Downloadable Free Invoice Template Pdf
Obstetric Nursing Certification
Post Tender Clarification Letter Sample
Loan Agreement Template Uk
Legal Transcription Certification
Photo Video Contract Template
Microsoft Word Report Template With Table Of Contents
Missing Cat Poster Template Free
Mortgage Financial Hardship Letter Template
Printable Wanted Template Poster
Leave Application Template Excel
Pmp Certification Experience
Nc Cpr Certification
Printable W9 2018
Printable Birth Plan Template Uk
Non Disclosure Agreement Template New York
Msd Timing Retard Box
Merchandiser Job Description Sample
Professional Work Reference Letter Template
Marketing Playbook Template
Loan Contract Agreement Template Free
Power Distrubtion Box Diagram 1999 Ford Crown Victorium
Last Living Will And Testament Template
Operations Manual Template For Small Business
Nissan Pathfinder Light Diagram
Mailing Label Template
Mazda Millenium Ignition Wiring Diagram
Pdf Free Rental Agreement Template Word
Personal Trainer Rental Agreement Template
Material Design Web Template
Mixed Fractions Worksheets