2002 Dodge Caravan Cluster Wiring

If you own a 2001 or later dodge grand caravan or chrysler town country van and your gauges are dead the most common cause is a bad module thats mucking up the digital data on the vehicles data bus.
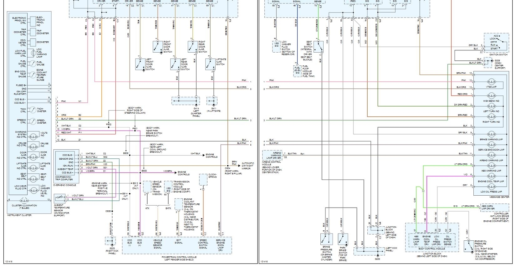
2002 dodge caravan cluster wiring. I have a 92 dodge caravan the insturmental cluster is out. Cluster switches for 2002 dodge grand caravan. 2002 caravan instrument cluster and turn signals are out. 4 cyl 24l 6 cyl 33l.
Dodge caravan instrument panel. I need the wiring diagram for the instrument cluster on a 2002 dodge caravan instrument cluster i need to know the answered by a verified dodge mechanic. We use cookies to give you the best possible experience on our website. Home 2002 dodge grand caravan cluster switches.
Put fire out with bottled water. The 2002 dodge grand caravan has 4 nhtsa complaints for the electrical systemwiringinteriorunder dash at 51759 miles average. Dealer told consumer that the cause of the fire was defective wiring. Consumer and husband took vehicle to the dodge dealer in mobile alabama and had it repaired.
Consumer purchased a 2002 dodge caravan in 2001 and drove it on a trip. Parts like wiring instrument panel are shipped directly from authorized mopar dealers and backed by the manufacturers warranty. We also show you how to put the instrument cluster into self diagnostic mode. Checked fuses wiggled the wiring and still nothing.
Instrument cluster and gauges dead chrysler minivan instrument cluster and gauges dead chrysler minivan. I have a 2002 dodge caravan the insturmental cluster is out. Engine trans mounting. Video on how we diagnosed and repaired an instrument cluster that was not working sometimes on a 2002 dodge caravan.
What could be the problem. 2002 dodge grand caravan change vehicle. The spedometer oil pressure battery indicater rpms fuel gauge are all not moving. I need the wiring diagram.
How to repair chryslerdodge minivan instrument cluster problems is part of the fixing it forward series. Answered by a verified dodge mechanic we use cookies to give you the best possible experience on our website.