Printable DB
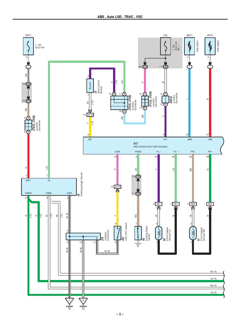
2009 Toyotum Tundra Wire Diagram
1999 honda accord engine oil system diagram
2010 ford truck fuse diagram
2012 chevy cruze engine diagram
alaska air receipts
05 jaguar type fuse diagram
2005 hyundai tucson engine diagram
2000 f150 fuse box map
2004 saab fuse box diagram
Details About 2009 Toyota Tundra Electrical Wiring Diagram Service Manual
2009 Toyota Tundra Wire Diagram Wiring Diagrams Folder
2012 Toyota Tundra Wiring Wiring Schematic Diagram
Repair Guides
Tundra Wiring Diagram Questions Answers With Pictures
Wiring Diagram Car Stereo Car Amplifier Pioneer Car
Toyota An Trailer Wiring Diagram Wiring Schematic Diagram
09 Always On Rear View Camera Wiring Diagram Check My Work
07 Tundra Pre Wired Backup Camera And Monitor Plug
Repair Guides
2008 Toyota Tundra Wiring Diagram Manual Original
2007 2008 2009 2010 Tuyota Tundra Electrical Wiring Diagrams
2014 Toyota Tundra Speaker Installation Guide Tundra
2000 Toyota Tundra Wiring Diagrams Digital Resources
Details About 2009 Toyota Tundra Electrical Wiring Diagram Repair Manual
2002 Toyota Tundra Engine Diagram Wiring Schematic Diagram
2007 2020 Toyota Tundra Plug N Play Replacement Amplifier S
Toyota Tundra Wiring Diagram Wiring Schematic Diagram 90
Tundra Radio Wiring Harness List Of Wiring Diagrams
2009 Toyota Tacoma Electrical Wiring Diagram Service Shop
7 Pin Trailer Connector Wiring Diagram Tacoma World
Source :
pinterest.com
Popular Posts
Trailer Towing Wiring Diagram
Sample Thank You Card After Job Interview
Sample Cv For Nurses In Canada
Sample Business Thank You Letter For Services Provided
Sample Letter To Brother
School Flyer Templates Free Download
Toyotum Sequoium Wiring Harnes Diagram
Scholarship Certificate Template Free
Request Formal Letter Template
Unicorn Invitation Template With Photo
Recommendation For Promotion Letter Template
Rj12 Wall Socket Wiring Diagram
Trail King Trailer Wiring Diagram
Sample Phone Tree Template
Spray Foam Certification
Sample Character Letter Of Recommendation
Telephone Message Template For The Receptionist To Use
Ul Firestop Certification
Training Record Template Excel
Total Flow Rs232 Wiring Diagram
Tattoo Templates Photoshop
Sample Self Appraisal For An Annual Performance Review
Sample Resume For Account Executive Position
Warn 2500 Winch Diagram
Resume Template For Investment Banking
Stationery Free Printable Easter Bunny Letter Templates
Sample Two Weeks Notice Letter Short And Sweet
Sample Tenant Reference
Sample Project Brief Template
Recording Studio Invoice Template
Trailer Adapter Wiring Diagram
Sample Letter Of Intent To Rent A Space
Template Rental Agreement And Deposit Receipt
Resume For Jobs In Usa
Sample Realtor Business Plan
Tractor Tune Wiring Diagram
Sample Letter For Change Of Name In Electricity Bill
Satisfaction Of Mortgage Template
Traditional Resume Template Free Download
Servicenow Training Certification
Walmart Money Order Receipt
Recruiter Certification Shrm
Table Tags Template
Sap Certification Houston
Sample Weekly Schedule College Student
Student Roster Template
Skoda Fabium 2009 Wiring Diagram
V8043e1012 Honeywell Zone Valve Wiring Diagram
Solving Equations And Inequalities Worksheet Pdf
Role Responsibility Organizational Chart With Responsibilities Template
Resume Format For Job
Resume Template For Undergraduate Internship
Timesheet Email Template
Real Estate Resume With No Experience
Rental Credit Application Template Free