2010 Mazda 6 Wiring Schematic

Mazda 6 2009 2010 fuse box diagram.
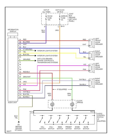
2010 mazda 6 wiring schematic. You can also find other images like mazda wiring diagram mazda parts diagram mazda replacement parts mazda electrical diagram mazda repair manuals mazda engine diagram mazda engine scheme diagram mazda wiring harness diagram mazda. Mazda 3 without bose sound system 2 speaker adapters by scosche 2 per pack. 2010 mazda 6 bose wiring diagram. This is a image galleries about 2010 mazda 6 wiring diagramyou can also find other images like wiring diagram parts diagram replacement parts electrical diagram repair manuals engine diagram engine scheme wiring harness fuse box vacuum diagram timing belt timing chain brakes diagram transmission diagram and engine problems.
2010 mazda 6 wiring diagram diagrams schema fan control 2005 mazda 3 wiring diagram data update http www msprotege com members 1sty mazd e 20ampplug bmp 2008 mazda 3 car stereo wiring diagram schema 2006 6 aux input can. Mazda 6 the mazda 6 also known as mazda atenza in china and japan is the first example of mazda motors new stylish insightful and spirited philosophy. The latest mazda 6 is the third generation and its incredibly popular. When upgrading the rear speakers you can use this mazda 6 stereo wiring diagram to get the job done.
The automotive wiring harness in a 2010 mazda 6 is becoming increasing more complicated and more difficult to identify read more read more. Publish on 09 jul 2019 by john kenny. Mazda 6 stereo wiring. Mazda 3 wiring harness diagram save 2010 mazda 6 wiring harness 2010 mazda 6 serpentine belt 2010 mazda3 a c wiring diagram valid mazda 3 wiring harness diagram inspirationa mazda 3 wiring harness we collect plenty of pictures about 2010 mazda 3 engine diagram and finally we upload it on our website.
This large family car was introduced by the japanese manufacturer in 2002 and it is now at the third generation. Fuse block engine compartment mazda 6 fuse box engine compartment. 2010 mazda 3 wiring diagram welcome to our site this is images about 2010 mazda 3 wiring diagram posted by maria nieto in 2010 category on oct 27 2019. Many good image inspirations on our internet.
Find great deals on ebay for mazda 3 speaker. Whether youre a novice mazda 6 enthusiast an expert mazda 6 mobile electronics installer or a mazda 6 fan with a 2010 mazda 6 a remote start wiring diagram can save yourself a lot of time.