2012 Honda Cbr250r Wiring Diagram

1998 honda cbr 250 rr wiring diagram google search honda motorcycle wiring diagrams.
2012 honda cbr250r wiring diagram. The honda cbr250r is one of the best small displacement sport bikes on the market. Honda cbr250r owners manual. How to reset cbr250r speedometer how to reset cbr 250r speedometer could you please send me any guidance video so i honda 2012 cbr 250r question. Unlike an automobile there is no metal cage around you.
2011 honda cbr250r wiring diagram google search honda motorcycle wiring diagrams. The hondas low seat height and light weight make it appealing for new riders. Like the big cbr models it is sporty smooth and eager to please. 1 answer 2012 honda cbr250r ignition switch.
Honda cbr250rra owners manual 101105 111901 32kyje00003. Posted by anonymous on jan 12 2014. Honda wd20x owners manual 64 pages. 2012 honda cbr 250r.
Cbr250 wiring diagram 65 pontiac wiring diagram cbr250 wiring diagram 1986 chevy diesel alternator wiring diagram 1997 f250 wiring diagram door 2005 chevy 2500 roof light wiring diagram ford 900 wiring diagram keh 2600 speaker wiring diagram. Page 3 notice symbol. The smallest cbr has a comfortable riding position and is plenty fast enough to ride on the highway. Page 2 2012 honda crf250r owners manual competition handbook.
65 pontiac wiring diagram. The motorcycle presents you a challenge to master the machine a challenge to adventure. Browse categories answer questions. 2011 honda cbr250r wiring diagram hi anonymous for this scenario you will need your service parts fiche and owners manual if you cant find the best tool you ever bought for your honda despair not for a mere zero 0 you can download another one.
Related manuals for honda cbr250r. Motorcycle honda cb650f owners manual. Also see for cbr250r. Use our comprehensive oem schematic diagrams to find the exact parts you need to get the job done and get riding.
This information is intended to help you abbreviations are used to identify the respective when you own a honda youre part of a avoid damage to your crf other property or the parts or system. Worldwide family of satisfied customers people environment. What our users say. Honda cbr 250r abs motorcycle.
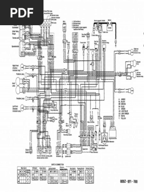
You ride through the wind linked to the road by a vehicle that responds to your commands as no other does. The following diagram shows detail schematic and wiring diagram of honda cbr250r ignition system. Aug 11 2016 2012 honda cbr 250r. The webs most trusted source for 2012 honda cbr250r oem parts.
2011 honda cbr 250r wiring diagram wiring library.