Printable DB
96 Geo Metro Engine Diagram
memorial service pamphlet template
movie ticket template printable
printable macys savings pass
partnership joint venture agreement template
medical mileage log template
personal expenses template
lockout tagout form template excel
online government certificate
1990 Geo Metro Wiring Diagram Wiring Schematic Diagram
96 Geo Metro Engine Diagram 1996 Geo Metro Sedan 1996 Geo
Geo Metro 1 0l 3cyl Shake This Ended Up Being A Cracked Block
Geo Metro Fuse Box Cover Wiring Diagram
1995 01 Geo Chevrolet Metro Consumer Guide Auto
1990 Geo Metro Wiring Diagram Wiring Schematic Diagram
Geo Fuse Box Wiring Library
How To Remove Siezed Camshaft 96 Geo Metro 1 3l And What
1990 Geo Metro Wiring Diagram Wiring Schematic Diagram
Diagram 97 Geo Metro Fuse Box Diagram Full Version Hd
Wiring Diagram For 1996 Geo Metro Schematics Online
Suzuki G Engine Wikipedia
1990 Geo Metro Wiring Diagram Wiring Schematic Diagram
Geo Metro And Suzuki Swift Wiring Diagrams Metroxfi Com
Wrg 1299 1991 Geo Metro Engine Diagram
96 Geo Metro Engine Diagram 1996 Geo Metro Sedan 1996 Geo
Geo Metro Repair Manual 1990 1997
Geo Metro Wiring And Fuse Diagram Schematics Online
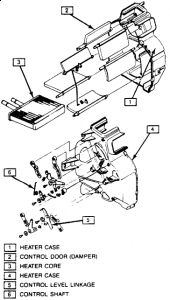
1996 Geo Metro Heater Problem 1996 Geo Metro 4 Cyl
My 95 Geo Wont Start
Geo Metro And Suzuki Swift Wiring Diagrams Metroxfi Com
Source :
pinterest.com
Popular Posts
Free Printable Consumer Math Worksheets For High School
Final Unconditional Lien Waiver Template
Hager Hinge Templates
Farewell Email To Coworkers Examples
Hotel Daily Revenue Report Excel Template
Ice Cream Scoop Printable
Former Employee Sample Recommendation Letter
Jvc Kd R200 Wiring Diagram
How To Prepare Resume For Nursing Job
Functional Resume Template Free
Free Employee Review Template
Fitness Schedule Template Free
Indesign Architecture Presentation Template
Ignition Wiring Diagram For 2004 F250
Kenworth Radio Color Wiring Diagram
Hbx Harvard Certificate
First Grade Sight Words Flash Cards Printable Free
Jigsaw Puzzle Template Transparent
Guarantor Personal Guarantee Template
Famous Honolulu Typing School Math Worksheet Answers
Free Printable Baby Shower Cards For Boy
Jeep Xj Hose Diagram
Graco Wiring Diagram
Honda Accord Wiring Harnes
Kickball Tournament Flyer Template
Free Printable Monster Truck Invitation Templates Free
Free Lawn Maintenance Invoice Template
Hindi Worksheets For Kindergarten
Goal Setting Template Free Download
Ithaca Posjet 1500 Receipt Printer
Forensic Accounting Report Template
Kenworth Cruise Control Wiring Diagram
Free Printable Coloring Pages For Adults Only Pdf
Free Resume App
Greeting Letter Sample
Food Blog Templates Wordpress
Fill In Receipt
Feasibility Study Report Template Free Download
Fees Certification Course 2020
How To Generate A Receipt Online
Feasibility Study Template Word
Ford Blower Motor Wiring
Hyundai Santa Fe Belt Diagram
Free Request For Quote Template Excel
Jeep Cherokee Door Wiring Harnes
Free Web Templates Bootstrap
Harassment Complaint Form Sample
How To Make Resume In Iphone 6
Kato Ho Track Wiring
Hr Resume Format In Word Download
Free Powerpoint Templates
Honda Odyssey Engine Diagram
Kawasaki Bayou 300 Oil Filter
Free Sunflower Wedding Invitation Templates
Excel Daily Update Template