Printable DB
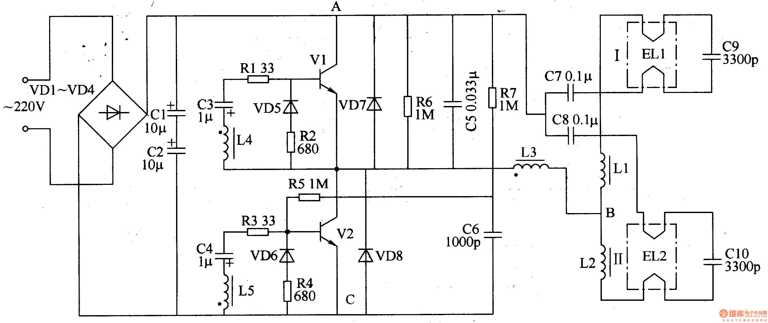
Circuit Diagram Electronic Ballast Tube Light
fresher teacher resume format download india
free weather printables
index to disability examination worksheets ptsd
hid edge wiring diagram
executive briefing paper template
free sample scholarship essays
free church banner design templates
free similac coupons printable canada
Electronic Ballast Circuit Engineering Projects
Wiring Diagram For A Single Tube Light Circuit Electrical4u
Wiring Diagram For A Single Tube Light Circuit Circuit
Double Tube Light Circuit Diagram
Typical Compact Flash Lamp Ballast Circuit 10 15 Compact
Tube Light Circuit Without Starter Electronic Choke Rig Electrician
Fluoresent Lamps How Does Fluoresent Lamp Works And
Serial Capacitors In Electronic Ballast Of A Fluorescent
New Circuit For Electronic Choke For Tubelight In 2019
Explained Connection Of Tube Light With Diagram Etechnog
40w Fluorescent Lamp Electronic Ballast Circuit
40 Watt Electronic Ballast Circuit Homemade Circuit Projects
Electronic Ballast Working Principle Circuit Diagram
Fluorescent Lamps Ballasts And Fixtures
Fluorescent Lamp Electronic Ballast 5 Control Circuit
25 Fresh Tube Light Circuit Diagram With Starter
How Do Fluorescent Tube Lights Work Explanation Diagram
Changing Fluorescent Light Ballast
Fluorescent Lamp Electronic Ballast
How To Check Tubelight Electronic Choke Is Working Good Or Not
Electronic Choke Circuit To Run Broken Filament 40watt
Source :
pinterest.com
Popular Posts
Daily Status Report Template Excel Download
El Sabor Latino De La Dieta Americana Worksheet Answers
Bi Monthly Time Card Template
Blank Money Order Template
Comptia Certification Security
Camaro Car Stereo Wiring Harnes
Bos Snow Plow Wiring Schematic
Company Registration Certificate
Ccent Certification Classes
Election Speech Template
Design Social Media Templates
Daily Site Report Template
Blank Pamphlet Template
Diagram Of Bench Mark
Employee One On One Meeting Template
Event Evaluation Form Sample
Chibi Template Png
Employee Warning Notice Pdf
Dual Certificate Holder
Butterfly Outline Butterfly Craft Template
Create Instagram Template
Confluent Kafka Certification Questions
Buick Century Radio Wiring
Dodge Infinity Wiring Diagram 2001
Cat Fuel Filter 1r 0750 Micron Rating
Delivery Template Excel
Chevy Cavalier Starter Wiring Diagram
Business Proposal Format Template
Downloadable Free Printable Bowling Party Invitations
Construction Project Quality Management Plan Sample Pdf
Email Templates Free Download Psd
College Application Letter Sample
Chore List Template Excel
Downloadable Blank Calendar Template Pdf
Case 1835 Ignition Diagram
Breach Of Contract Letter Sample
Calendar Template 2014 Excel
Dodge Durango Radio Wiring Diagram Free Picture
Construction Safety Program Template
Car Fuel Filter
Data Analysis Template Word
Best Resume Search Engine For Employers
Electrical Wiring Diagram For Three Way Switch
Buccal Massage Certification
Business Impact Assessment Template
Casino Night Template
Donation Request Template Free
Bmw 535i Fuse Diagram
Cobra Cb Microphone Wiring
Bday Party Invite Template
Consulting Ppt Templates
Diagram Of Engine 172
Developer Website Template
Editable Fake Bank Statement Template
Contractor Work Estimate Template