Honda Nt700v Wiring Diagram

If you run into an electrical problem with your honda you may want to take a moment and check a few things out for yourself.
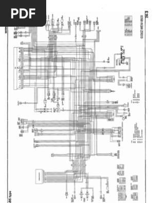
Honda nt700v wiring diagram. This is the complete official service repair manual for the honda nt700v nt700va motorcycle. This manual contains everything you will need to repair maintain rebuild refurbish or restore your motorcycle. Honda c70 cub electrical harness wiring diagram schematic. 2 up votes mark as useful.
Recent honda nt700v deauville questions problems answers. Wiring diagram of the honda nt700 deauville motorbike. Download free honda nc700x service manual pdf information service and repair contained in this manual is designed to be used by skilled and professional technicians. And owners manuals on the internet are free to download and all service manuals contain wiring diagrams in the back pages.
You name it and its in here. Honda anf125 wave 125 electrical wiring harness diagram schematic here. Before you dive in with a multi meter you will want to obtain a free wiring diagram for your specific modelyou may need to locate a specific color wire and its exact location. The rest usually charge a modest fee around 10.
Some honda motorcycle manuals pdf wiring diagrams are above the page. Attempt to service or repair without appropriate training tools and equipment could cause injury to you or others. The webs most trusted source for 2010 honda nt700v parts oem diagram. Use our comprehensive oem schematic diagrams to find the exact parts you need to get the job done and get riding.
Free expert diy tips support troubleshooting help repair advice for all nt700v deauville motorcycles. Wiring diagram of the honda nt700 deauville motorbike by rommel9645 in types instruction manuals and honda nt700v. Honda c50 super cub electrical wiring harness diagram schematic here. It covers complete tear down and rebuild pictures and part diagrams torque specs maintenance troubleshooting etc.
Honda motorcycle electrical wiring diagram schematics. Honda c65 cub electrical harness wiring diagram schematic 1964 1970 here. Honda c50m c 50 electrical wiring harness diagram schematic here. Wiring diagrams honda.
2006 honda nt700v deauville abs wiring diagram connecting a givi top box brake light to the honda nt700v where honda 2006 nt700v deauville abs question.