Printable DB
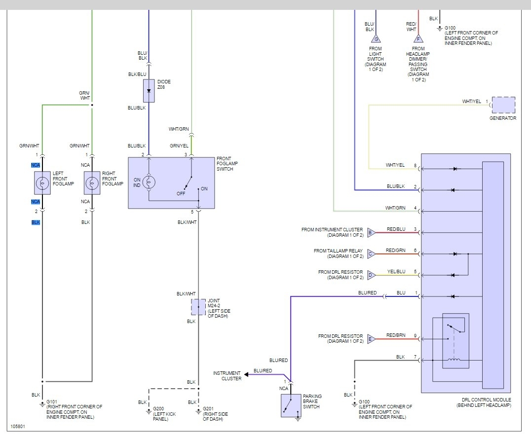
Hyundai Excel Headlight Wiring Diagram
risk assessment plan template pdf
training attendance register template excel
sample excel format for inventory
quotation marks worksheets
skills of a teacher resume
surveyor certificate course
rent receipt template google docs
resume powerpoint presentation sample
Low Beam Is Not Working I Have A Hyundai Accent 1999 And
Low Beam Is Not Working I Have A Hyundai Accent 1999 And
2003 Hyundai 1 6lit 5sp Std Various Electrical Problems
Hyundai Wiring Diagrams 2001 To 2006 Youtube
Diagram 02 Hyundai Accent Wiring Diagram Full Version Hd
2003 Hyundai 1 6lit 5sp Std Various Electrical Problems
Hyundai Excel 1999 Wiring Diagram Schematics Online
Hyundai Accent Headlight Wiring Wiring Diagram
Solved I Have Narrowed My Problem Of No Working Lights On
Hyundai Accent Headlight Wiring Wiring Diagram
98 Hyundai Elantra Wiring Diagram Schematics Online
Hyundai Lights Wiring Diagram Wiring Diagrams
2002 Hyundai Elantra Headlight Wiring Diagram Wiring
5554f Hyundai Getz Fuse Box Diagram Digital Resources
1994 Hyundai Excel High Beam Switch Questions With
Low Beam Is Not Working I Have A Hyundai Accent 1999 And
2002 Hyundai Accent Wiring Diagram Wiring Diagram
2004 Hyundai Sonata Engine Diagram
Hyundai Wiring Diagrams 2011 On Youtube
Hyundai Excel X3 Wiring Diagram Wiring Diagrams
Hyundai Wiring Diagram Radiator Fans Ricks Free Auto
Source :
pinterest.com
Popular Posts
Free Printable Under Construction Signs
Homeschool Syllabus Template
Fuse Box 2004 Dodge Ram 1500
Excel Weekly Planner Template 2020
Godaddy Certificate Repository
Happy New Year Letter Sample To Clients
Free Printable No Food Or Drink Signs
Food Server Sample Server Resume
Free Printable Birthday Banner
Hat Diagram
Honda Ridgeline Radio Wiring Harnes
Graduate School Academic Resume Sample
Farmall H Generator Wiring Diagram
Free Excel Report Templates
Free Roofing Proposal Template
Food Ingredients Label Template
Job Interview Call Letter Sample
Free Pdf Letterhead Templates
Free Printable Medical Id Card Template
Fast Latch Template
Free Photoshop Magazine Template
Houston Astros Schedule 2019 Printable
Former Employee Employment Verification Letter Template Word
Iphone Business Card Template Free
Free Printable Love Coupons Template
Google Garage Certification
Ford 3 0l Engine Diagram
Fill In Blank Blank Research Paper Outline Template Pdf
Excel Spreadsheet Self Employed Profit And Loss Template
Honda 450r Wiring Diagram
Fram Fuel Filter Catalog
Indeed Com Create Resume
Isuzu Rodeo Alternator Wiring
Job Completion Report Sample
Grundfo Up Wiring Diagram
How To Edit Resume In Pdf
Free Blank T Shirt Order Form Template
Free Business Associate Agreement Template 2017
How To Do A Resume On Microsoft Word 2010
Freightliner Fuse Box Location
Front Back Business Card Template
Excel Simple Bank Reconciliation Template
Fisher Pontoon Diagram
Gnc Coupons Printable 2019
Free Programming Certifications
Expandable Banner Template
Jha Form Template
Informal Will Template
Gantt Chart Weekly Template Excel
Fortnite Skin Template
Ifbb Coach Certification
Food Chain Worksheet Free
Federal Job Resume Template
General Remote Starter Diagram
Income Worksheet For Mortgage