Printable DB
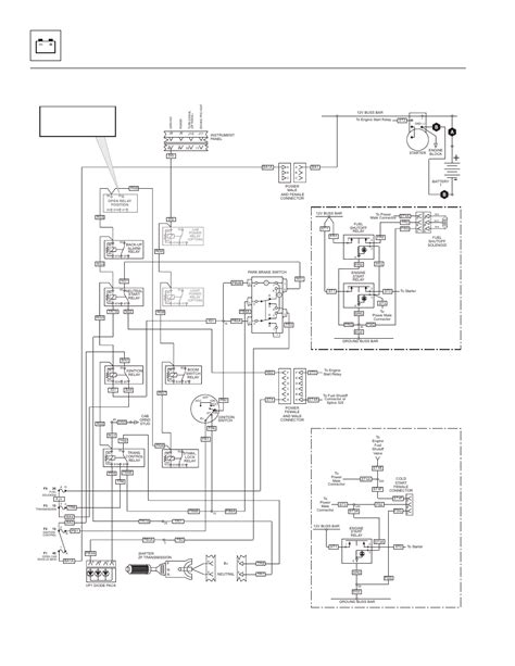
Lull 644d 34 Wiring Diagram
jaguar xk8 fuse box diagram
flight attendant resume template no experience
fuse box for 2013 dodge dart
hoa monthly newsletter template
fastest tefl certification
format memorandum sample letter
home health care invoice template
humidity control wiring diagram
Lull 644d 34 Wiring Diagram Wiring Library
Construction Equipment Parts Jlg Parts From Www Gciron Com
Lull Wiring Diagram Wiring Library
1999 Lull 644d 34 Telehandler Item K6076 Sold December
Lull 644d 34 For Sale 3 Listings Machinerytrader Com
Lull 644 For Sale 58 Listings Marketbook Bz Page 2 Of 3
Lull Wiring Diagram Schematics Online
Curtis I Have A 644d 34 Lull Having Issues With Pilot
Lull Wiring Diagram Wiring Library
Wrg 1835 Lull 644 Wiring Diagram For
Lull Wiring Diagram Schematics Online
Curtis I Have A 644d 34 Lull Having Issues With Pilot
Wrg 5531 Lull 644 Wiring Diagram For
Wrg 5660 Lull Wiring Diagram
Lull 844c 42 For Sale 14 Listings Machinerytrader Com
1999 Lull 644d 34 Telehandler Item K6076 Sold December
Heavy Equipment Manuals Books For Lull For Sale Ebay
Lull Wiring Diagram Schematics Online
Wrg 2891 Lull 644 Wiring Diagram For
1999 Lull 644d 34 Telehandler Item K6076 Sold December
1997 Lull 1044c 54
Source :
pinterest.com
Popular Posts
Printable Free Birthday Card Templates
Prince2 Business Case Template
Printable Lease Agreement Form
Novation Agreement Template
Printable Pokeno Card
Peugeot 307 Fuse Box Acces
Mandrake Warning Label Printable
Media Plan Templates
Opel Wiring Schematic
Paper Direct Business Card Template
Maps Of Airport Runways Printable
Payment Authorisation Form Template
Project Management Checklist Template
Microsoft Excel Resume Template
Pin The Tail On The Unicorn Printable Free
Manufacturing Standard Operating Procedure Template
Nalp Certification Online
Photo Booth Templates Holiday
Pdf Printable Employee Warning Notice Form
Printable 50th Birthday Cards Free Download
Mendelian Genetics Worksheet Key
Pass A Certification
Language Of Science Worksheet
Ordering Fractions Worksheet Pdf
Printable Growth Mindset Quotes For Kids
Lpn Resume Objective
Newspaper Layout Template Blank
Need Someone To Do My Resume
Minutes Of Meeting Template With Action Items Excel
Operational Flight Plan Sample
Process Flow Template Excel
Number Line Subtraction Worksheets Pdf
Photography Contract Free Template
Mba Graduate Certificate
Nonprofit Budget Template
Lockout Tagout Form Template Excel
Pontiac G6 Engine Sensor Diagram
Meaning Of Cover Letter In Resume
Printable Auto Accident Release Form Sample
Music Poster Template
Non Compete Agreement Alabama Template
Notice Letter Sample For Landlord
Printable Seating Chart Template Wedding
Option To Purchase Agreement Template
Project Portfolio Management Excel Template
Offer Letter Template Free Download
Professional Profile Resume
Letter I Worksheets Free
Logo Template Online
Peterbilt Truck Wiring Schematic
Private Tutoring Tutoring Contract Template
Letter Of Intent Example For Grant Proposal
Mazda Cx 9 Fuse Box Location
Petition Letter Template Pdf
Metric Conversion Worksheet With Answers Chemistry