Printable DB
Oil Heater Diagram
application for letter of credit sample
2001 dodge dakotum fuse panel diagram
bank statement template
avery invoice template free download
2002 grand marqui fuse diagram
3 1l engine diagram sensor
appreciation printable reward stickers for kids
2000 grand prix engine wire diagram
Figure 5 Hot Oil Heater Wiring Diagram 230 Volt
Burner Diagram Waste Oil Burner Oil Burners Oil Heater
Oil Burners Inspection Tuning Repair Guide To Heating
Hot Water Heating Boiler Operation Details 39 Steps In
Can Heater Diagram Wiring Diagram Schematics
Oil Fired Boilers And Furnaces Department Of Energy
Troubleshooting Oil Furnaces And Oil Heaters Howstuffworks
Waste Oil Furnace For Melting Metal Oil Heater Waste Oil
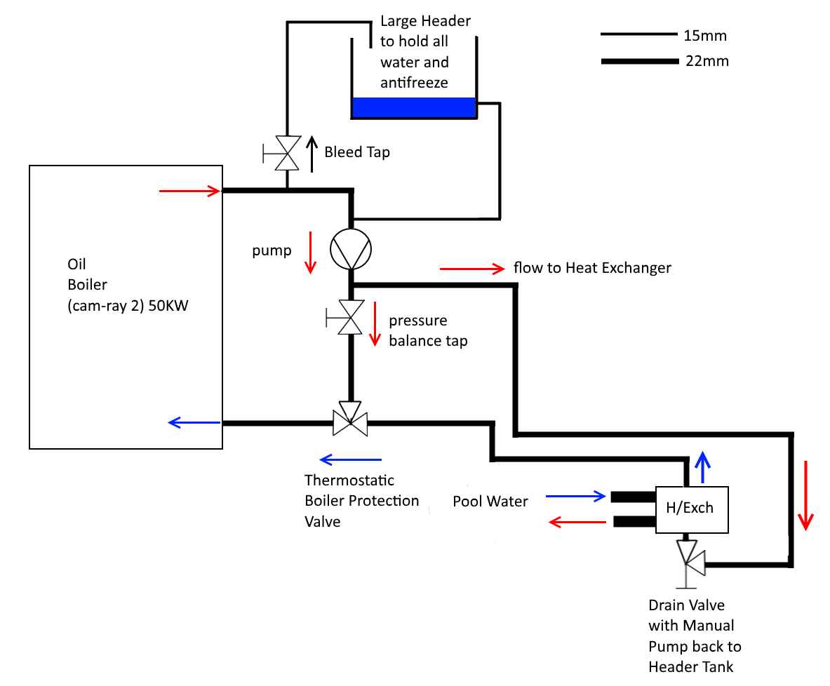
Plumbing Diagram For Oil Fired Pool Heater Diynot Forums
Journey To Forever S Waste Oil Heater
Oil Wiring Diagram Wiring Schematic Diagram
Professional Thermal Fluid Hot Oil Heater Heating For Hot Press Machine Buy Thermal Fluid Hot Oil Heater Electric Thermal Oil
Oil Gas Fired Thermic Fluid Heater Thermic Fluid Heaters
Fuel Oil Heater
Radiator Repair Delonghi Oil Filled Radiator Repair
Thermobile At307 Waste Oil Workshop Heater
Oil Furnace Wiring Technical Diagrams
Waste Oil Heater Multi Oil Heater Best Quality Price
Thermal Oil Heaters Tecnica Cdc
Oil Gas Fired Thermic Fluid Heater Thermic Fluid Heaters
Cross Section Of Horizontal Heater Treater 13 Download
Source :
pinterest.com
Popular Posts
Used Car Inspection Vehicle Inspection Form Template Pdf
Sample Professional Thank You Email After Interview
Student Journey Mapping Template
Teenager My First Resume Template
Sample Heartfelt Goodbye Letter To Coworkers
Sample Apology Letter To Customer For Poor Service Template
Sample Of Mom
Template Medication Error Incident Report Sample
Template For Resume Website
Sample Bank Statement Pdf
Thank You Certificate Of Appreciation Template
T Shirt Order Form Template Free Blank
Trailer Hitch Wiring Diagram
Sharepoint Online Site Templates
Sample Action Plan For Work
Resume Site Examples
Recruiting Metrics Dashboard Template
Salary Pay Stub Template
Request Baptismal Certificate
Sales Analysis Template Excel Free
Real Estate Resume Samples
Student Confidentiality Agreement Template
Sample Equipment Loan Agreement
Sample Company Profile Design
Recommendation Letter Template For Phd Student
Resignation Letter Templates Free On Word
Radio Commercial Script Template
Rotating Overtime Schedule Template
Real Estate Sample Letter Of Intent To Purchase Property
Sample Letter Of Recommendation For High School Student Volunteer
Security Breach Template
Radio Script Sample In English
Trifacta Wrangler Certification
Schoolcraft Teacher Certification
Urban Design Certificate Program
Unit 2 Solving Equations And Inequalities Worksheet Answers
Template Free Printable Chore Charts For Kids
Resume Document Format
Spreadsheet Free Printable Medication Log Pdf
Resume Maker Reviews
Real Estate Flyer Template Word
Time And Material Daily Log Template
Skin Care Business Plan Template
Univox Wiring Diagram
Save The Date Evite Templates
Reception Cards Template Free
Scce Compliance Certification
Sample Confirmation Of Employment Letter For Bank
Reading Wire Diagram
Suzuki Dr 350 Fuse Box
Resume Writing Software For Mac
Squier Affinity Stratocaster Race Green
Schematic Layout
Software Test Engineer Resume Template
Sunpro Tach Wiring 1992