Printable DB
Sanyo Tv Schematic Diagram
wbenc certification requirements
western electric rotary phone wiring diagram
where can i go to print a resume
with a blister skin layer diagram
wiring diagram 1994 toyotum pickup efi
xs750 wiring diagram
wedding schedule template word
worksheets for struggling readers pdf
Sanyo St 14se1 Schematic Service Manual Download Schematics
Sanyo Tv Wiring Diagram Wiring Schematic Diagram
Doc Diagram Sanyo Tv Diagram Ebook Schematic Circuit
St21g1 Schematics Copy Of The Sanyo St 21g1 Schematic Diag
Tv Service Repair Manuals Schematics And Diagrams
Tv Service Repair Manuals Schematics And Diagrams Tv
Doc Diagram Sanyo Tv Diagram Ebook Schematic Circuit
Doc Diagram Sanyo Tv Diagram Ebook Schematic Circuit
Sanyo Chassis Lb 1a Sch Service Manual Download Schematics
Pdf Free Download Sanyo Tv Schematic Diagram Manuals Under
Doc Diagram Sanyo Tv Diagram Ebook Schematic Circuit
Schematic Diagram Of Sanyo St 21g1 Fixya
Sanyo Ac5g Chassis Cp14g1 Tv D Service Manual Download
Sanyo M 4500 Ke Portable Stereo On Demand Pdf Download English
Lcd Wiring Diagram Catalogue Of Schemas
Crt Tv Schematic Diagram Technical Diagrams
Sanyo Ct21g1 Chassis Ac5g Sch Service Manual Download
Free Sharp Tv Schematic Diagram
Index Of Schematics Audio Recorders Cassette
Sanyo Tv Wiring Diagram Wiring Diagram Schematics
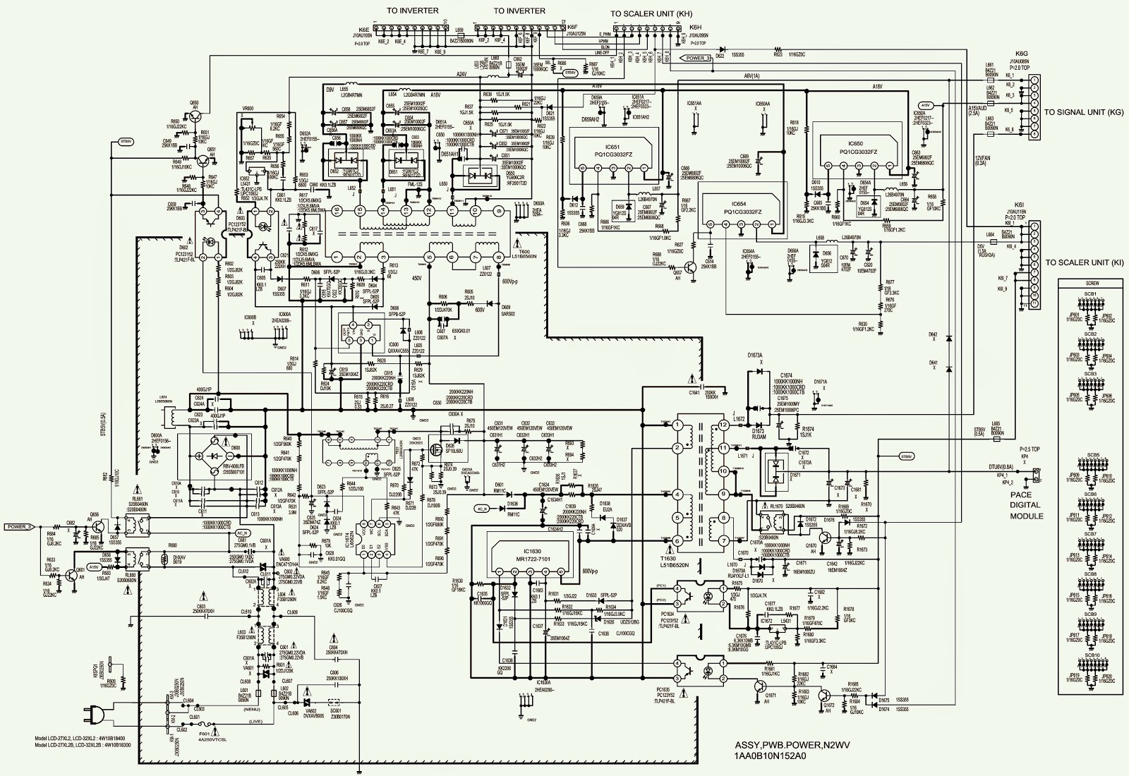
Sanyo Lcd27xl2 Lcd27xl2b Lcd Television Argentina
Source :
pinterest.com
Popular Posts
Reseller Agreement Template Word
Rover 75 Airbag Wiring Diagram
Vt365 Engine Diagram
University Enquiry Letter Sample
Sample Cafe Menu Card
Skills Matrix Template Excel Free
Stained Glass Templates
Resume For New Job Position
Tattoo Party Flyer Template Free
Spelling Tic Tac Toe Template
Simple Work Contract Template
Tractor Battery Wiring Diagram
Volunteer Card Template
T Shirt Design Template Microsoft Word
Sample Agreement Form Between Two Parties
Sample Receipt For Partial Payment Received
Visiting Card Templates Free Download Word
Security System Installer Resume
Vistaprint Business Card Template
Sales Contest Template
Resume For First Job
Security Contract Proposal Template
Restaurant Inventory Checklist Template
Sample Cash Receipt Template
Sample Workshop Survey
Student Progress Report Sample Form
Research Report Template High School
Quitclaim Sample Philippines
Sample Nursing Report Sheet Templates
Vehicle Purchase Agreement Template
Skills To Put On Resume
Resume For College Student Seeking Internship
Us Flag Union Template
Snowman Chocolate Wrapper Template
Taco Zone Control Wiring Diagram With Valve
Square Digital Receipts
Russian Math Worksheets
Submersible Starter Diagram
Receipt Template Word Download
Sample Memo Letter For Cleanliness
Research Paper Outline Template Mla Pdf
Restaurant Grand Opening Flyer Template
Sample Medical Leave Of Absence
Submit Your Resume To Recruiters
Swim Lesson Certification
Rent To Buy Contract Template
Sidewalk Chalk Art Templates
Special Right Triangles Worksheet 2
Sample Loan Agreement Between Family Members
Sample Notice Letter To Tenant To Move Out
Quickbooks Online Attach Receipts
Ui Ux Design Templates
Research Sample Proposal Letter For Funding
Social Enterprise Business Plan Template Doc
Salesforce Roadmap Template