Printable DB
Tecumseh Hm100 Wiring Diagram
call letter sample
downloadable free baptism certificate template
data table template excel
blank packing list template
create professional email template
buyang bmx atv wiring diagram
boost plus coupons printable
coding certification classes
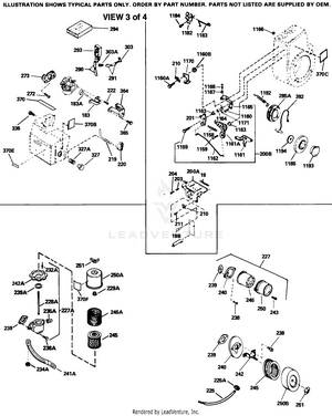
Tecumseh Hm100 159287t Parts Diagram For Engine Parts List
Tecumseh Hm100 159400r Parts Diagram For Engine Parts List
Tecumseh Hm100 159386r Parts Diagram For Engine Parts List
Tecumseh Hm100 159353n Parts Diagrams
Looking For Tecumseh Model Hm100 159409p Lawn Garden
Tecumseh Hm100 159353n Parts Diagrams
Tecumseh Hm100 159038e 4 Cycle Horizontal Partswarehouse
Powermate Genset 5500 6875 Model Pm0525300 17 W Tecumseh
Looking For Tecumseh Model Hm100 159151g Lawn Garden
Tecumseh Hm100
Tecumseh Hhm80 User Manual 8 Pages Also For Hm90 Hm80
We Have A Tecumseh Hm100 Engine On A 5000 Watt Generator I
Powermate Genset 5500 6875 Model Pm0525300 17 W Tecumseh
Small Engine Suppliers Engine Specifications And Line
Hmsk100 Tecumseh Snow Blower Engine Manual
5 Hp Tecumseh Engine Diagram Wiring Diagrams
Tecumseh Hm100
I Was Given An Old Maxa 5000er Generator With A Tecumseh
305cc 10 Hp Tecumseh Generator Engine Lh358xa
Small Engine Suppliers Engine Specifications And Line
Descriptions Photos And Diagrams Of Low Oil Shutdown
Source :
pinterest.com
Popular Posts
Napnes Pharmacology Certification
Nursing Dosage Calculation Practice Worksheets With Answers Uk
Learn How To Make A Resume
Open Source Resume Parser
Online School Certificate Programs
Performance Management Proposal Sample
Mallory Distributor Wiring Diagram With Msd
Org Chart Ppt Template Free Download
Project Work Schedule Template
Memorial Service Sample Funeral Program Order Of Service
Logic Model Program Evaluation Template
Printable Paper Cd Case
Nc Cpr Certification
Newspaper Ad Templates Free Download
Organizational Chart Template Word Free
Printable Restroom Signs
Nissan Quest 3 0 Engine Diagram
Powerpoint Quiz Template
Project Data Sheet Template
Post Nuptial Template
Mitsubishi Audio Wire Harnes
Pet Adoption Certificate Template Free
Purple Birthday Invitations Template
Marriage Certificate Finder
Monthly Workout Schedule Template
Polari Snowmobile Wiring Diagram
No Work Experience Resume Template
Light Switch To Schematic Wiring
Printable Keto Diet Menu
Mandrill Email Templates
Printable Bed Bath And Beyond Coupon
Mexican Themed Party Invitation Templates Free
Office Move Plan Template
Lines Of Symmetry Worksheet Pdf
New Teacher Resume Examples
Packaging Templates Illustrator
Printable Transparent Vinyl Sheets
Online Accounting Certificate
Professional Simple Resume Format Australian Government Resume Template
Preventive Maintenance Plan Template Excel
Minutes Of Meeting Sample Mail Format
Need Someone To Write My Resume
Online Brochure Maker Free Printable
Printable Commission Form Template
Microphone Cable Xlr
Printable Physical Exam Template For Medical Students
Opposites Worksheets For Preschool
Post Tender Clarification Letter Sample
Purple And Gold Template
Plotting Epicenter Worksheet
Patient Discharge Instructions Template
Project Management Tracking Sheet Template
Last Will Printable Form
Online Tesl Certification
Printable Door Signs