Toyotum Hilux Wiring Diagram Free Download

Toyota hiace 1989 2001 service manual.
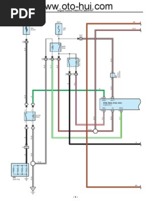
Toyotum hilux wiring diagram free download. Toyota hilux owners manuals pdf toyota iq owners manuals pdf. Workshop and repair manuals service owners manual. Download free toyota hilux electrical wiring diagram pdf this toyota hilux electrical wiring diagram covered. Toyota forklift wiring diagram download collections of toyota forklift wiring diagram awesome toyota stand up lift truck.
Toyota forklift wiring diagram download. Wiring diagram for toyota hilux alternator free download endearing. Toyota hiace service manual free download. Toyota forklift alternator wiring diagram mazda endearing enchanting.
Toyota service workshop owners and repair manual. View and download toyota hilux electrical wiring diagram online. Hilux automobile pdf manual download. Electrical wiring diagrams fault codes diagnostic trouble codes in pdf free download more than 200 toyota manuals.