1994 Yamaha Timberwolf Wiring Diagram Free Picture

Offroad vehicle yamaha 4x4 timberwolf yfb250fwm owners manual 161 pages offroad vehicle yamaha blaster yfs200n owners manual.
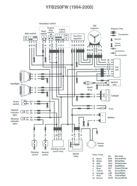
1994 yamaha timberwolf wiring diagram free picture. This graphic 1994 yamaha timberwolf wiring diagram free picture wiring inside yamaha timberwolf wiring schematic over is labelled having. 4 0 sohc engine diagram wiring page. What is the adjustment on that philips head screw. 1994 yamaha timberwolf wiring diagram free picture here you are at our site this is images about 1994 yamaha timberwolf wiring diagram free picture posted by benson fannie in 1994 category on oct 20 2019.
Try yamaha forums thats where i go for wiring diagrams. Enter text from picture. Yfb250k timberwolf offroad vehicle pdf manual download. Yamaha timberwolf wiring schematic diagram for electrical 94 2000 banshee yamaha timberwolf wiring diagram timberwolf 250 4x4 wiring diagram home 1994 yamaha free picture yamaha timberwolf wiring diagram img 250 schema.
View and download yamaha yfb250k timberwolf owners manual online. 2925 x 1983 px image size for 1994 yamaha timberwolf wiring diagram free picture wiring inside yamaha timberwolf wiring schematic image source. View and download yamaha 4x4 timberwolf yfb250fwm owners manual online. Enter text from picture.
You can also find other images like yamaha wiring diagram yamaha parts diagram yamaha replacement parts yamaha electrical diagram yamaha repair manuals yamaha engine diagram yamaha. Offroad vehicle yamaha yfb250k timberwolf owners manual 160 pages offroad vehicle yamaha blaster yfs200n owners manual. Navigate your 1994 yamaha timberwolf 250 2wd yfb250f schematics below to shop oem parts by detailed schematic diagrams offered for every assembly on your machine. 1995 yamaha timberwolf wiring diagram 1997 yamaha timberwolf wiring diagram 2000 yamaha timberwolf wiring diagram 2003 yamaha timberwolf wiring diagram 92 yamaha timberwolf wiring diagram 96 yamaha.
4x4 timberwolf yfb250fwm offroad vehicle pdf manual download. Atv 153 pages.