Printable DB
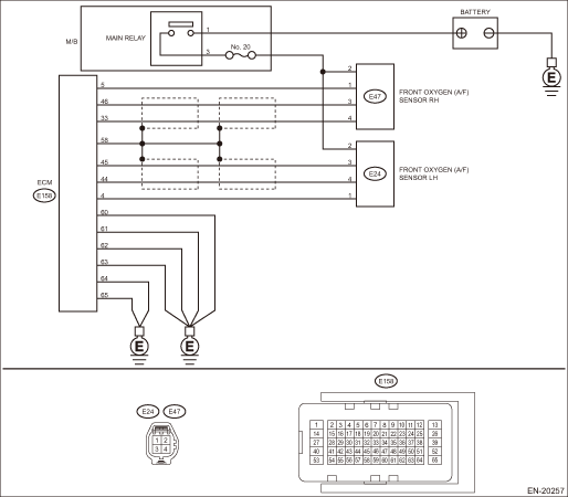
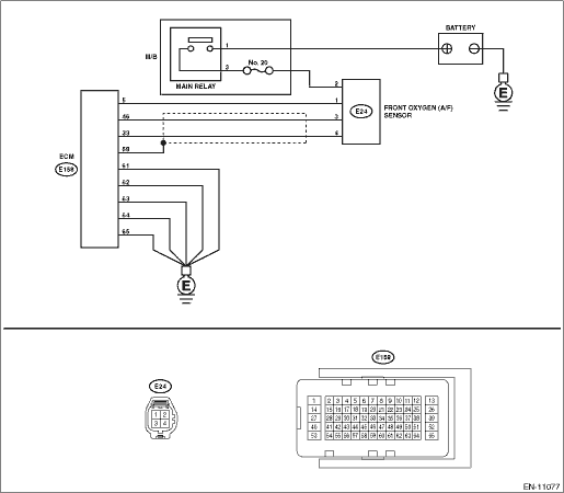
Fuel Trim Wiring Diagram
sunbeam tiger wiring diagram
sample photo collage examples
sample notice to vacate letter to tenant
rabies certificate dog
series tele wiring diagram phase
robertshaw thermostat wiring
spector bas input jack wiring
sample lesson plan template
30 Second Animation Fuel Pump Sending Unit
Subaru Legacy Service Manual Dtc P2096 Post Catalyst Fuel
Fuel Trim Wiring Diagram Wiring Diagrams Delete
Single Solenoid Trim Pump Wiring Page 1 Iboats Boating
Subaru Legacy Service Manual Dtc P2096 Post Catalyst Fuel
Fuel Trim Wiring Diagram Air Fuel Ratio Chart Fuel Trim Bank
Fuel Trim Background And Basics
Code P0171 System Too Lean Symptoms Causes Common
Excessive Stuck Short Term Fuel Trim Blazer Forum Chevy
Tech Tips Blog By Gtc
P0300 Rough Idle Dodge Ram Ricks Free Auto Repair Advice
Fuel Trim Diagnosis And O2 Sensor Performance Avi Ondemand
Random Misfires
Fuel Trim Diagnosis And O2 Sensor Performance Avi Ondemand
Diagnosing A Lean Running Engine Motor
Bmw E46 Oxygen Sensor Replacement Bmw 325i 2001 2005
How To Test And Replace Your Fuel Gauge And Sending Unit
Evinrude Johnson Outboard Wiring Diagrams Mastertech
Wiring Harness Information
Fuel Trim Background And Basics
Vw Type 2 Wiring Diagram Wiring Diagrams Schematic
Source :
pinterest.com
Popular Posts
Co Parenting Plan Template
Branch Circuit Wiring Diagram
Employee Performance Review Template Nz
Dating Application Form Template
Cash Receipt Template Word
Business Proposal Template
Euro Flap Envelope Template
Craftsman Model 917 289223 Wiring Diagram
Due Diligence Report Template Word
Email Receipt Design
Digital Cv Template
Cpr Certification Length
Business Development Executive Resume Sample
Cousin Family Member Good Moral Character Letter For Immigration Sample
Black Jazz Bass Matching Headstock
Dodge Avenger Fuse Diagram
Drafting Business Cards Templates
Bluebird Wiring Diagram Light
Employer Personal Problem Sample Resignation Letter With Reason
Downloadable Free Editable Price List Template
Ebrs Birth Certificate
Dc Motor Armature Winding Diagram
Cpr Certification Richmond
Club Car 48v Wiring Diagram Solenoid
Blank Cell Phone Template
Bus Driver Appreciation Card Template
Business Card Template On Google Docs
Biopsychosocial Case Formulation Sample
Cohabitation Agreement Uk Legally Binding
Business Plan Competitor Analysis Template
Chevy 5 3 Engine Diagram
Business Plan One Page Template
Control Wiring Diagram Wiki
Electrical Panel Box List Template
Cash Receipt Printable Acknowledgement Receipt Sample
Company Business Proposal Sample
Cafe Menu Template Free
Cool Xero Invoice Templates
Ctae Teacher Certification
Call Of The Wild Worksheets Pdf
Editable Customizable Gift Tags Printable
Cash Receipt Template Nz
Birth Plan Template Download
Dvd Cover Design Template
Coffee Bean Gift Certificate
Employee Development Plan Template Free
Bk Kosher Certification
Charity Invitation Template
Css Dashboard Template
Blank Free Church Flyer Background Templates
Donation Template Wordpress Free
Best Cyber Certifications 2019
Buy Printable Stamps Online
Blank Puppy Weight Chart Template
Construction Cost Estimate Template Excel Free