Printable DB
Heat Seal Wiring Diagram
cia certificate requirements
core certification florida
celebration program template
diesel fuel filter wrench
blank website template
cash payment voucher template excel free download
downloadable printable downloadable free tenancy agreement template word uk
biology homework population worksheet answers
How To Make A Heat Sealer 10 Steps With Pictures
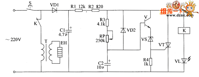
Plastic Bag Sealing Machine Circuit Diagram 1
Heat Seal Wiring Wiring Schematic Diagram 71 Glamfizz De
Heat Seal Wiring Diagram Wiring Diagram
Heat Seal Wiring Wiring Schematic Diagram 71 Glamfizz De
Industrial Packaging Machinery Food Service Equipment And
Heat Seal Wiring Diagram Wiring Diagram
How To Make A Heat Sealer 10 Steps With Pictures
Heat Seal Wiring Diagram Wiring Diagram
2002 Toyota Taa Fuse Locations Free Download Wiring Diagram
Heat Seal Wiring Diagram Wiring Diagram
Heat Seal Wiring Diagram Wiring Diagram
Heat Seal Wiring Diagram Wiring Diagram
Kuject 120pcs Solder Seal Wire Connectors Self Solder Heat Shrink Butt Connector Waterproof Insulated Electrical Butt Splice Wire Terminals For
How Wire A Honeywell Room Thermostat Honeywell Thermostat
Heat Seal Wiring Wiring Schematic Diagram 71 Glamfizz De
Free Electronic Circuits 8085 Projects Blog Archive
Heat Seal Wiring Wiring Diagram
Heat Seal Wiring Diagram Wiring Diagram
Heat Only Thermostat Wiring Bloxtrade Co
Impulse Sealer
Source :
pinterest.com
Popular Posts
Political Parties Worksheet Pdf
Part Time Job Resume Sample Canada
Pontiac 2 4 Engine Diagram
Light Switch To Gfci Schematic Wiring Diagram
Mercury Sable Airbag Fuse Box
Letterhead And Business Card Templates
Printable Loan Repayment Agreement Template
Printable Blank Cover Letter Template
Nurse Practitioner Resume Service
Petty Cash Agreement Template
Printable Pa Tax Forms
Portfolio Wiring Diagram
Pitch Deck Template Ppt Free
Printable House Cleaning Checklist Template
Leviton Decora 3 Way Switch Wiring Diagram
Power Distrubtion Box Diagram 1999 Ford Crown Victorium
Pde Esl Certification
Memorandum Sample For Employee
Overtime Timesheet Template
Phone Junction Diagram
Manpower Planning Template Excel
Permanent Layoff Letter Template Bc
Printable Coupon For Olay Regenerist
Laptop Motherboard Charging Circuit Diagram
Printable Goal Sheets
Powerpoint Template 16 9
Machine Les Elevator Wiring Diagram Room
Motor Dayton Diagram Wiring Hvac 4m097
Printable Elmo Birthday Invitations
Memorial Prayer Cards Template
Logic Model Program Evaluation Template
Printable Easter Bag Tags
Printable Voucher Template Word
Printable Power Of Attorney For Child
Network Diagram Project Management Template
Pregnancy Test Coupons Printable
Preschool Rainbow Printable
Photo Website Template Free
Pt Cruiser Fog Light Wiring Diagram
Modern Simple Resume Template Free
Loom Clip
Police Officer Resume Templates Free
Pdf Osha Emergency Action Plan Template
Profit And Loss Template For Mac Numbers
Performance Evaluation Template Word
Leed Certification Classes
Leadership Development Program Template
Printable Purchase Order Request Form Template Word
Prayer Guide Template
Mortgage Payment Receipt Template
Minority Certification California
Personal Income Statement Template Google Sheets
Mazda Axela Fuse Box Location
Printable Coupons Famous Footwear Coupons December 2019
Practice Free Calligraphy Worksheets