Printable DB
Rav4 Ac Diagram
free high school diploma template with seal
fisher plow wiring diagram
ford 8630 wiring diagram
headboard shape templates
free printable prescription labels
internet security certification
high school movie review template for college students
free printable science reading comprehension worksheets
Details About Toyota Oem 04 05 Rav4 2 4l L4 A C Ac Condenser Compressor Line Pipe 8870642270
Toyota Rav4 Service Manual System Description Air
Toyota Rav4 Service Manual Compressor And Pulley For 2az
Toyota Rav4 Service Manual Air Conditioning Amplifier
Details About Toyota Oem 09 12 Rav4 A C Ac Condenser Compressor Liquid Line Tube 887060r020
Toyota Rav4 Service Manual Condenser Air Conditioning
Details About Toyota Oem 13 16 Rav4 A C Ac Condenser Compressor Liquid Line Tube 887060r060
Light On But Compressor Is Not Engaging
Toyota Rav4 Service Manual Compressor Circuit Diagnostic
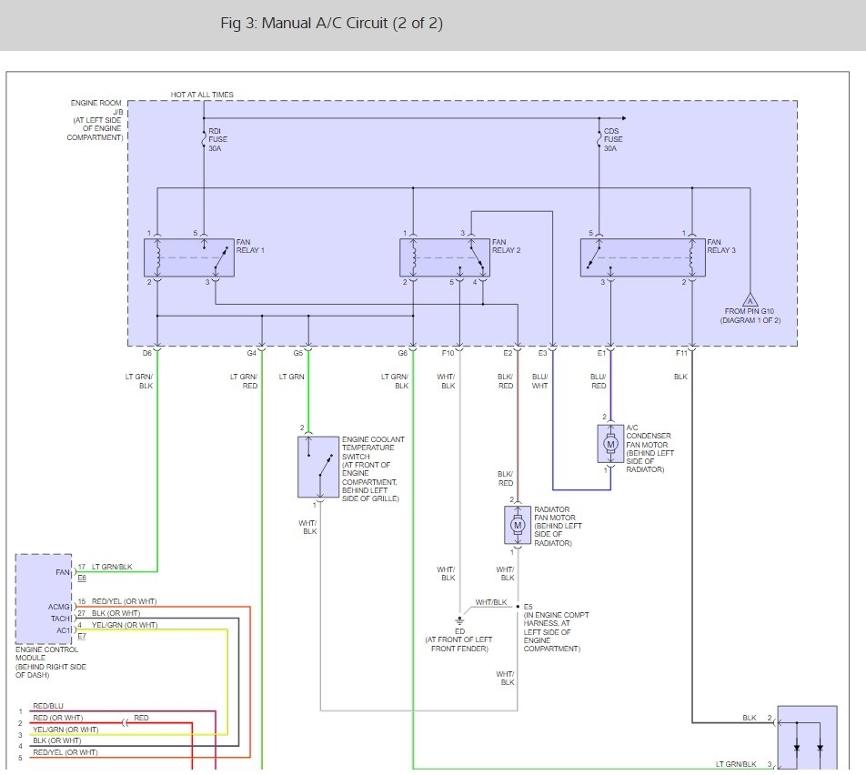
Rav4 Ac Diagram Wiring Diagram
Toyota Rav4 Service Manual Air Conditioning Amplifier
Light On But Compressor Is Not Engaging
Ac Compressor Rav4 1248474 06 07 08 09 10 11 12 Assy
Toyota Rav4 Service Manual Compressor And Pulley For 2gr
Repair Guides
1997 Rav4 Sensors And More Toyota Rav4 Forums
Light On But Compressor Is Not Engaging
Toyota Rav4 Service Manual Blower Unit Air Conditioning
2002 Rav4 Fuse Box Wiring Schematic Diagram 195 Glamfizz De
Repair Guides
Details About Toyota Oem 13 15 Rav4 Air Conditioner A C Ac Condenser 884600r030
Source :
pinterest.com
Popular Posts
Youtube Music Certification
Writing Linear Equations Worksheet Answer Key Kuta Software
Western Snow Plow Wiring Diagram Ultramount
Work Order Estimate Free Job Estimate Template Pdf
Work History Template Microsoft Word
Werboxer Engine Diagram
What Type Of Cell Undergoes Meiosis Worksheet
Word Document Free Cover Letter Template Word
Weslo Treadmill Wiring Diagram
Wiring Diagram Two Switch One Light
Yearly Marketing Plan Template
Wedding Planner Printable Sheets
Word Document Resignation Letter Template Doc
Writing Paper Template First Grade
Wine Tag Template Free
Work Order Sample Bd
Zw Wiring Diagram
Wiring Diagram For 96 Nissan Xe Pick Up
Windows 7 To Windows 10 Migration Project Plan Template
Wiring Diagram For Tent Trailer
Weekly Checklist Template
Wholesale Catalog Template
Word Simple Resume Basic Resume Template
Web Hosting Agreement Template
Wedding Day Timeline Printable
Wbs Dictionary Template Excel
Wedding Itinerary Template Excel
Xd Dashboard Template
Word Doc Business Card Template
Website Template Angular
Western Plow Controller
Welcome Sign Template
Watercolor Templates Free
Winnebago Wiring Schematic
Yearly Calendar Schedule Template
Yearly Income Statement Template
Weekly Report Sample Excel
Wiring Diagram For Hdmi To Rca Connector
Wind Speed And Direction Diagram
Wedding Reminder Template
Zero Tolerance Drug Policy Template
Wiring Diagram Nissan Maxima 2000
Write Letter Of Testimony Sample
Weather Felt Board Templates
Word Document Work Anniversary Certificate Template Word
Writing A Blog Template
Yanmar Fuse Box Conversion Kit
Webinar Announcement Template
Wedding Day Itinerary Template For Guests
Writing Sample Incident Format Of Report Writing Example
Wiring Diagram Single Phase Motor Capacitor Connection
Wedding Seating Plan Template Free Download
While You Were Out Form Template
Yearbook Website Template
Wiring Up Led Light Bar Diagram