2005 Mustang Wiring Diagram

2005 2014 s 197 mustang generaltalk power4 member.
2005 mustang wiring diagram. The schematic we will show here is the eec pinout diagram of the 1994 1995 ford mustang gt 50. Ford workshop service and repair manuals 2005 mustang wiring diagrams. 2005 mustang covers all 2005 2010 mustangs with the 40 v6 46l v8 gt or 54l supercharged engines. Page 1 2005 mustang workshop manual page 1 of 40 section 413 01.
Ford mustang workshop service and repair manuals wwwfordrepairinfo. Aftermarket part reviews general discussion about muscle cars. 1979 2017 ford mustang diagrams troubleshooting documentation. Click on the image to enlarge and then save it to your computer by right clicking on the image.
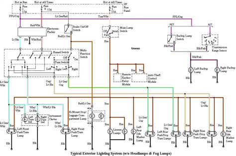
09242008 instrumentation message center and warning chimes printable view 692 kb refer to wiring diagrams cell for schematic and connector information. 2005 mustang headlight wiring diagram ford headlight switch wiring mustang wire diagram fuse f electrical for a hl dually headlamp. 2005 2014 ford mustang repair diagrams for model 2005 2014 ford mustang 2006 2007 2008 2009 2010 2011 2012 2013 including fuse panel diagram wiring schematic. Whether your an expert installer or a novice enthusiast with a 2005 ford mustang an automotive wiring diagram can save yourself time and headaches.
Instrumentation message center and warning chimes 2005 mustang workshop manual diagnosis and testing procedure revision date. Start date apr 9 2010. May 10 2004 200 0 16 rochester ny. Listed below is the vehicle specific wiring diagram for your car alarm remote starter or keyless entry installation into your 2005 2009 ford mustangthis information outlines the wires location color and polarity to help you identify the proper connection spots in the vehicle.
05 09 mustang wiring diagram. Please make sure to have read and understand this eec pinout diagram comprehensively before you make any wiring changes on your 1994 1995 ford mustang gt 50 wiring systems.